Shelly Plus Uni
🔧 Key Features
- Channels: 2 independent digital inputs + 1 counter input for pulse counting (e.g., meters, doorbells).
- Outputs: 2 switch channels for controlling low‑voltage circuits.
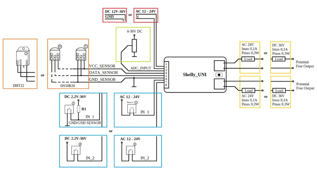
- Voltage Range: Works with 8–24V AC, 9–28V DC, and 5V DC, making it suitable for a wide range of small appliances and sensor integrations.
- Sensor Support:
- Compatible with 1‑Wire sensors (single DHT22 or up to 5 DS18B20 temperature sensors).
- Supports most Arduino‑style sensors for DIY integrations.
- Connectivity:
- Wi‑Fi for remote control and automation.
- Bluetooth Low Energy (BLE) for quick setup and pairing.
- Automation Functions:
- Timers, schedules, and webhooks.
- MQTT and outbound WebSocket support.
- Up to 10 scripting instances for advanced automation logic.
- Compact Design: Small footprint, easy to embed inside appliances or enclosures.
- Standalone or Cloud: Works locally without cloud dependency, or integrates with Shelly Cloud for remote access.
🔍 Smart hint
- Retrofit Ready: Add smart functionality to doorbells, locks, or sensors without replacing existing hardware.
- Pulse Counting: Use the counter input to monitor water, gas, or electricity meters for consumption tracking.
- Sensor Expansion: Connect DS18B20 sensors for multi‑point temperature monitoring (e.g., HVAC zones, aquariums, greenhouses).
- Automation Flexibility: Combine inputs with Shelly relays or plugs to trigger complex routines (e.g., doorbell press → camera snapshot + light on).
- LAN First: For professional installations, prefer LAN‑enabled Shelly devices; Uni is Wi‑Fi only, so ensure strong coverage.
⚠️ Warnings
- Load Limits: Designed for low‑voltage applications only; do not connect high‑voltage AC loads.
- Professional Installation Recommended: Ensure correct wiring and voltage matching to avoid damage.
- Only supports specified 1‑Wire sensors; verify compatibility before deployment.
- Battery Dependency (if used with sensors): Monitor sensor power supply to avoid gaps in readings.
- Reset Caution: Factory reset erases all settings; use only when troubleshooting.
📦 What’s Included
- Shelly Plus Uni module
- Quick start guide / installation instructions
- Standard packaging (no sensors included, input/output module only)
| Brand: Shelly |
| Manufacturer: Shelly |





